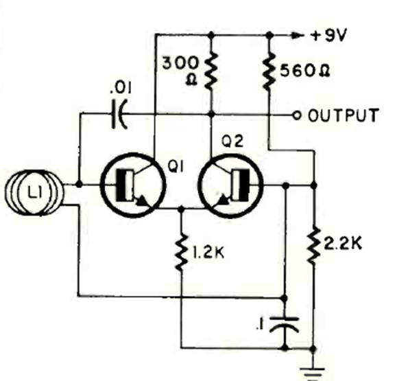
The frequency of this oscillator varies between 7 and 30 MHz when someone approaches the sensor coil. This coil is made up of 10 to 20 turns of wire with a diameter of 10 cm to 4 meters. It is recommended to experiment according to the application. The circuit is from a Radio Electronics from May 1970.




