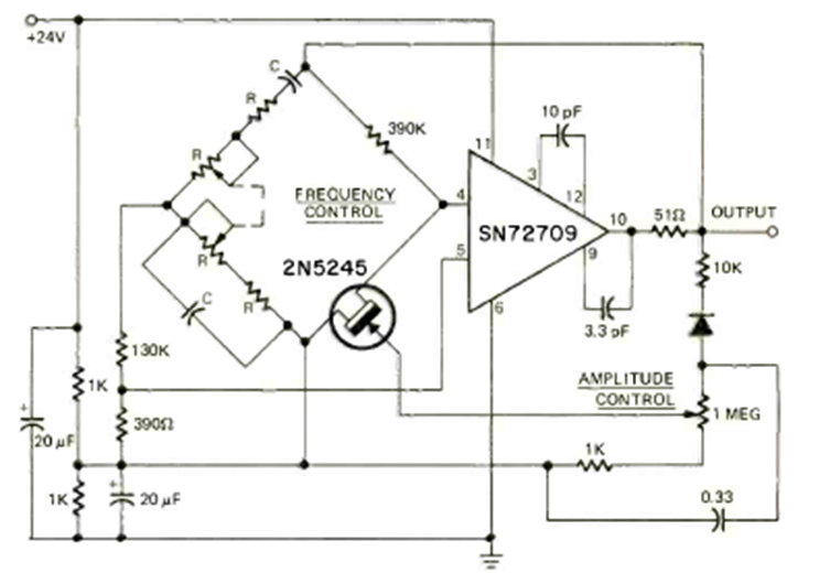
This Wien bridge oscillator circuit uses a Texas Instruments 709 amplifier. It was found in an article in the September 1972 issue of Radio Electronics magazine. It is powered by a 24 V voltage.
This symmetrical power supply uses regulators from the 78xx and 79xx series and can be adapted to supply...
January 2017 - Mouser Electronics has announced the availability of Pulse Electronics' new...
Found in Signalite documentation from the 1960s, this circuit generates ladder pulses. The circuit...