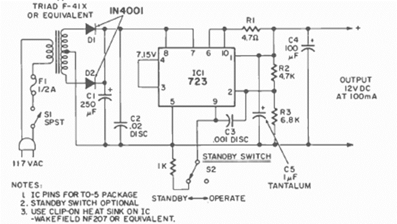
Using the 723 integrated circuit, this power supply has the voltage determined by R2 and R3, which can be changed. The circuit is from a Radio Electronics magazine from July 1971.
This commercial radio from Iwata Electronics was manufactured in Japan in the 1960s. The circuit uses...
This stroboscope circuit with a high voltage lamp was found in Radio Elecronics magazine from July...
aaa The circuit shown generates 100 kHz signals for calibrating the scale of a receiver in 100 to...