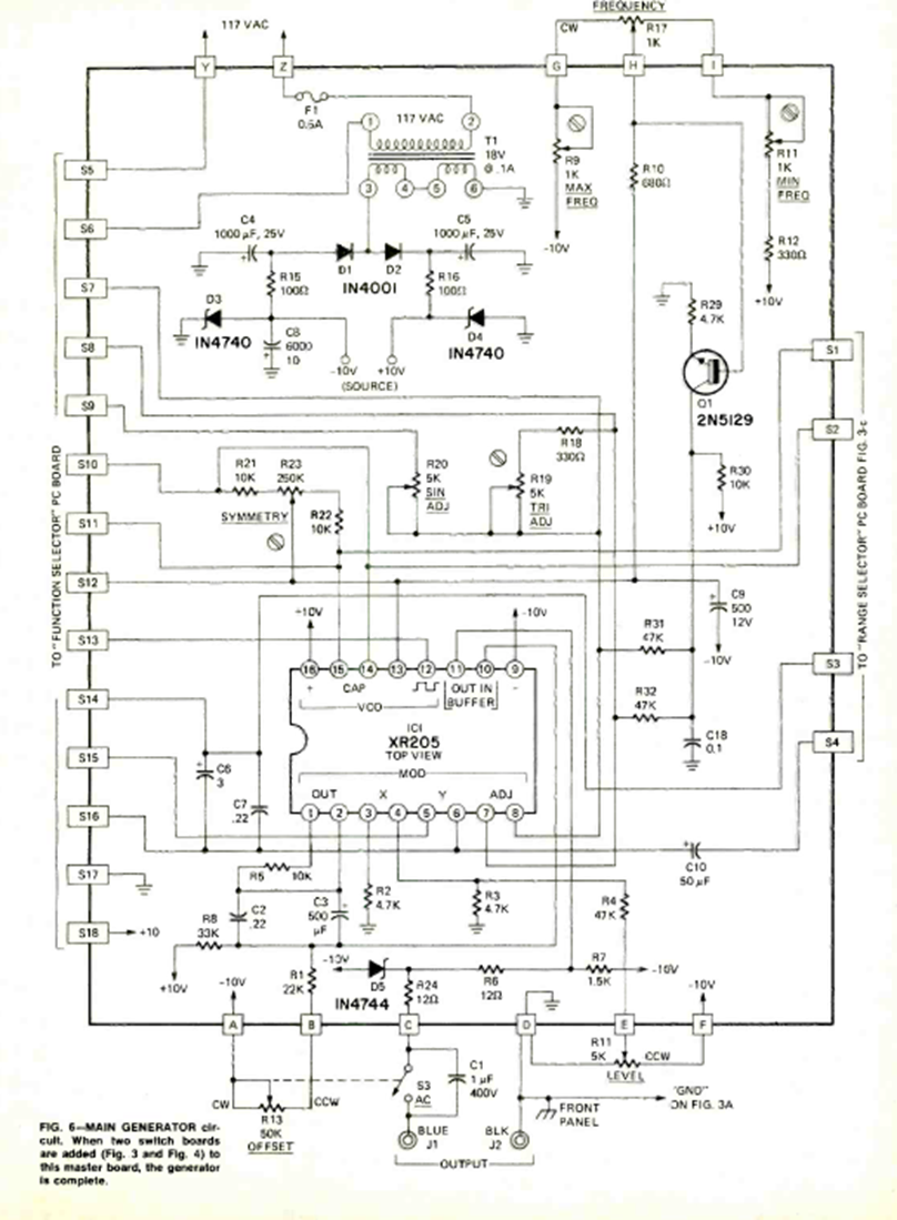
This sophisticated function generator circuit appeared in the September 1972 issue of Radio Electronics magazine. The circuit includes mains power supply.
This circuit works on analog I/O ports and was suggested by an Electronic Design from the 90s. It...
This circuit uses two sensors that are placed at the intersection of a miniature railroad, causing the LED...
Found in Radio Electronics from the 90s, this circuit uses a thermistor as a sensor that can have...