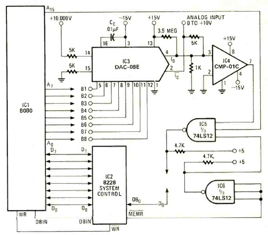
The figure shows how to use an 8080 in a digital to analog converter. The circuit is from a Radio Electronics from February 1978. The other components are from that time, except for the TTL.
This circuit that triggers an SCR was found in volume 5 of the 1995 Encyclopedia of Electronic Circuits....
This 1-transistor oscillator circuit was found in the March 1965 Radio Electronics magazine. The...
Found in a 1964 CQ magazine this circuit consists of an automatic telegraphic key, providing the...