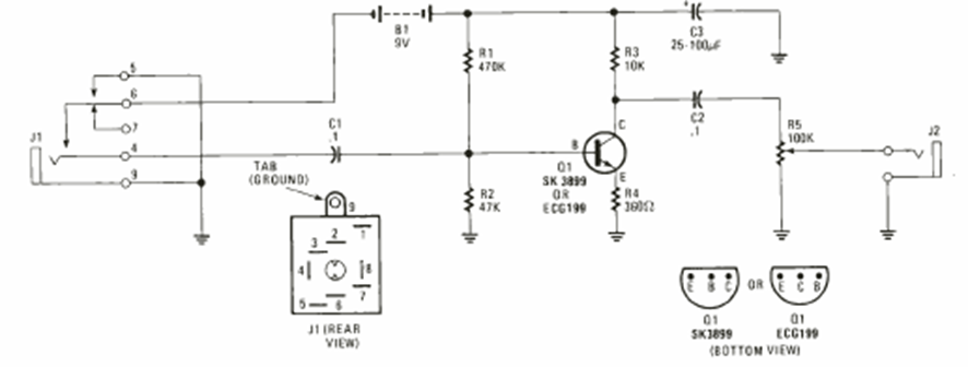
We found this circuit in Radio Electronics Special Projects from 1992. The circuit turns on the power when the microphone plug is inserted into the input jack.
This circuit was obtained in the publication 101 Electronics Projects of 1979. The circuit can be...
This control was obtained in an old publication from 1985 and uses a triac, which today can be of...
This is the traditional configuration of an unregulated bridge rectified power source. The circuit...