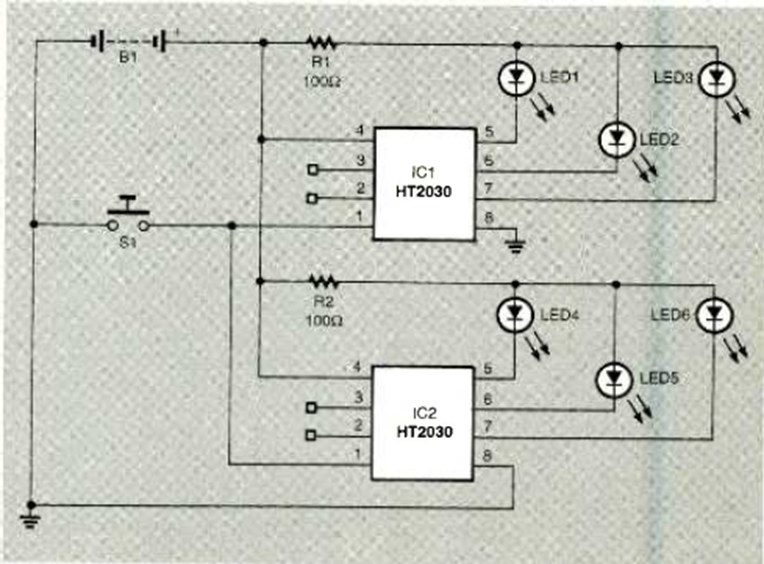
This circuit with two HT2030s powers 6 LEDs in a decorative flashing system. The circuit is from Electronics Now magazine, December 1997. The LEDs are fed in sequence.
We found this circuit in a 1980s publication. The circuit, however, makes use of common components...
This instrument was found in a publication for radio amateurs in 1973. The tuned circuit consists of...
This circuit was obtained from an Analog Devices manual from the 90's. The integrated circuit is...