Found in a 1990s Popular Electronics, this circuit uses a small transformer matched to the impedance of the speaker being driven.
This quick response game was found in a Popular Electronics from the 80s. It uses only discrete analog...
This circuit was found in documentation from National Semiconductor. Its purpose is to convert an input...
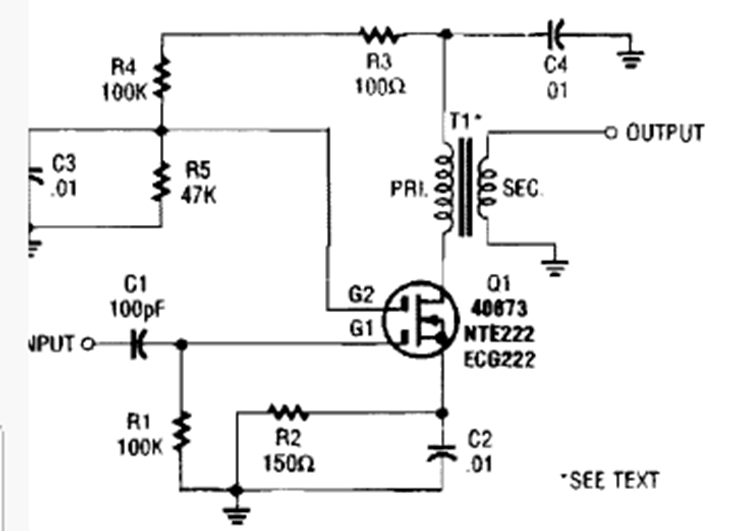
The frequency of this oscillator depends on the inductor and capacitors in parallel with it. In...