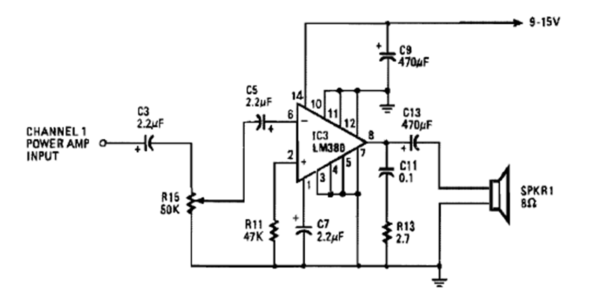
This is a channel of a stereo amplifier and small power with the LM386 suggested by the Radio Electronics Experimenters in the 1981 edition. The power of a few Watts.
August 2017 - The new IXYS solid state relay CPC2907B from IXYS is currently in stock at Mouser...
This circuit was found in 1980s American documentation. The transducer is a piezoelectric capsule and the...
Using this circuit a low current switch can be used in the control of heavy duty loads, powered...