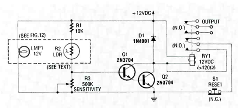
This circuit was found in the 1991 Electronics Experimenter's Handbook. It activates a relay when light shines on a sensor.
This circuit activates an output, which can be a lock, only when a card containing the programmed code...
Found in an October 1992 Radio Electronics magazine article, this circuit generates a low-power tone in...
Found in a manufacturer documentation from the 90s, this circuit makes use of period components. The...