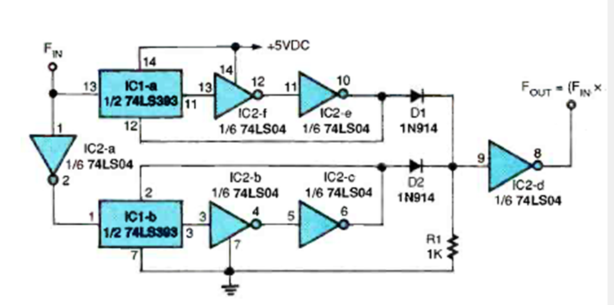
This TTL circuit found in the September 1996 issue of Electronics Now magazine doubles the frequency of a rectangular signal. The power supply must be 5 V.
The circuit we present was found in an English magazine from 1980, but it can be easily assembled, as...
This simple circuit was suggested by the Electronics Handbook Volume XIII 1993. LED D1 emits light for...
Using an RCA integrated circuit, this instrumentation amplifier was found in a November 1970 Radio...