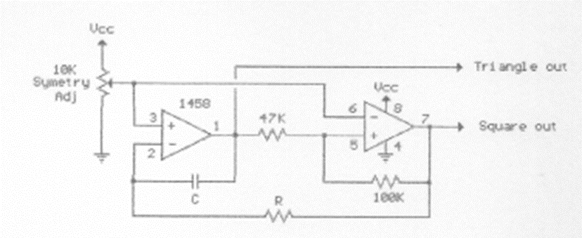
This circuit generates rectangular and triangular signals up to a few megahertz. The circuit is from a documentation from the 90s. The frequency limit is determined by the components used. C can have values between 1 and 100 nF typically.
This circuit generates rectangular and triangular signals up to a few megahertz. The circuit is from a documentation from the 90s. The frequency limit is determined by the components used. C can have values between 1 and 100 nF typically.