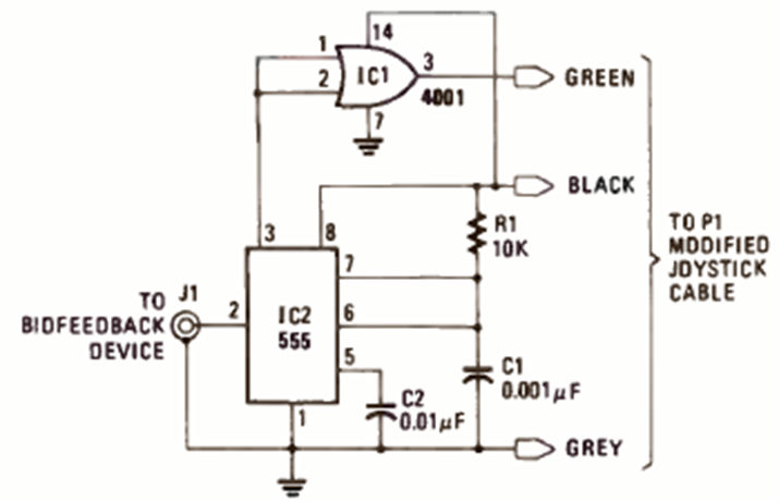
We have many versions of biofeedback with the 555 IC on this site. This is another one. We found it in October 1986 Radio Radio Electronics magazine. The power supply must be isolated.
This circuit is from a Radio Electronics magazine from May 1989. The source must be symmetrical, and other...
The sophisticated signal tracker/follower with a JFET and integrated circuit 741 was found in a...
This circuit was found in Radio Electronics from the 90s. The transducer is a tweeter and the...