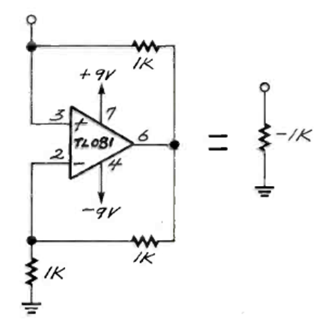
This circuit found in Electronics Now magazine emulates a negative resistance -1k resistor. The circuit can be used in relaxation oscillators.

This circuit found in Electronics Now magazine emulates a negative resistance -1k resistor. The circuit can be used in relaxation oscillators.
