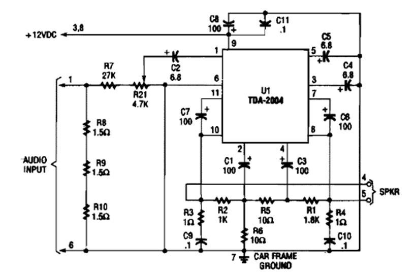
This car audio amplifier was found in a Popular Electronics Hobbyist Handbook from the 1990s. The circuit uses the TDA2004 to boost the car radio output of cars of the time.
This circuit was found in a 1992 documentation and has excellent sensitivity, using components that...
This practical idea from a 1992 documentation shows how to count the turns of a winder using a...
In this circuit from the 60s, the power supply is made with 22.5 V, which is the voltage of the...