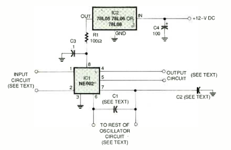
This circuit was found in the February 1997 Electronics Now magazine. The circuit has a power supply for the NE602 and free inputs and outputs for projects.
This old taster circuit, found in 1970s American documentation, is for operatives and comparators of...
Mouser Electronics has in stock the MUSBR robust connectors for USB 30 applications from Amphenol. These...
In the figure we have two circuits of limiters that provide the cut of the negative peaks of a...