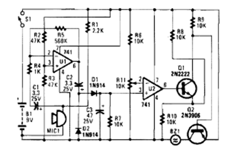
This alarm siren was found in volume 5 of the 1995 Encyclopedia of Electronic Circuits. The circuit powers a buzzer.
This old taster circuit, found in 1970s American documentation, is for operatives and comparators of...
Mouser Electronics has in stock the MUSBR robust connectors for USB 30 applications from Amphenol. These...
In the figure we have two circuits of limiters that provide the cut of the negative peaks of a...