This circuit was found as part of another project in a January 1988 Radio Electronics magazine. The frequencies are given by the timing capacitors.
This is a simple configuration for a low-pass filter using a 741 operational-amplifier. Other...
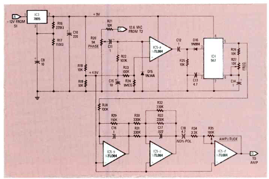
We found this circuit in an American publication from the 1980s. Equivalent modern operational amplifiers...
This circuit for the 3.5 MHz band (80 meters) was found in an old radio amateur documentation. The circuit...