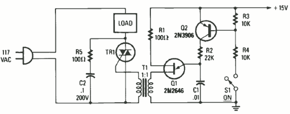
This triac circuit was found in the October 1987 Radio Electronics magazine. The triac is load-dependent and must be mounted on a heat sink.
This application circuit for the AD6521C was found in Radio Electronics from the 90's. The circuit...
This regulator is based on the SFC2308 integrated circuit, which is quite old, therefore difficult to...
This circuit has an output that provides the average value of the rectified voltage. Operational...