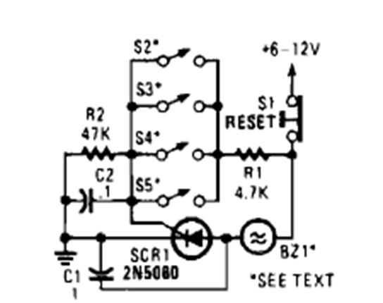
This simple alarm with SCR triggers a buzzer. It was found in the Encyclopedia of Electronic Circuits Volume 5 of 1995. The circuit is powered by voltages of 6 to 12 V.

This simple alarm with SCR triggers a buzzer. It was found in the Encyclopedia of Electronic Circuits Volume 5 of 1995. The circuit is powered by voltages of 6 to 12 V.
