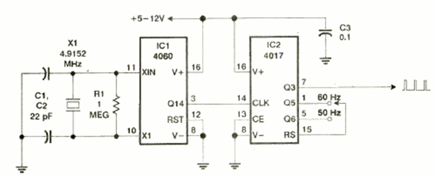
This crystal-based circuit can generate accurate 50 or 60 Hz signals. The circuit is from a November 1998 Electronics Now magazine. The output signal consists of rectangular pulses.
This precision circuit was found in ancient American documentation. The most critical component is the...
The 4511 is a 7-segment latch driver providing up to 25 mA in each output. The typical application using the...
This circuit generates a high voltage of the order of 250 to 300 V from a 12 V battery to power a...