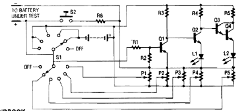
This test circuit was found in the PE Hobbyst Handbook in a 1990s edition. The circuit tests the battery under load. The load, as the battery is selected by the switch.
This precision circuit was found in ancient American documentation. The most critical component is the...
The 4511 is a 7-segment latch driver providing up to 25 mA in each output. The typical application using the...
This circuit generates a high voltage of the order of 250 to 300 V from a 12 V battery to power a...