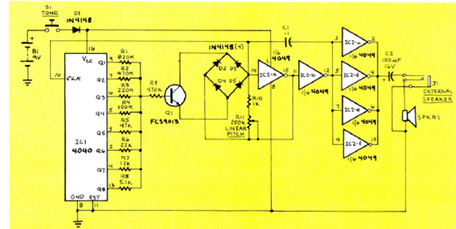
Found in the June 1987 issue of Radio Electronics magazine, this circuit uses well-known CMOS components. The circuit has a CMOS amplifier stage that drives a small speaker.
This circuit was found in 1966 General Electric documentation. The circuit uses components from the era...
We found this circuit in a magazine 73 for radio amateurs from the 80's. The circuit makes use of an...
This circuit uses one of the first comercial transistor and is from a 1958’s magazine. Tone...