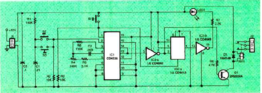
This circuit was found in an article in Electronics Now magazine from June 1998. The sensor consists of a pendulum alarm in which a metal object is allowed to vibrate with the earthquake by touching a hoop around it.
This circuit was found in an article in Electronics Now magazine from June 1998. The sensor consists of a pendulum alarm in which a metal object is allowed to vibrate with the earthquake by touching a hoop around it.