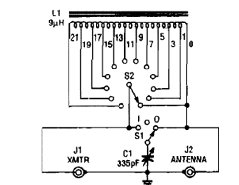
This antenna tuner was found in a 1995 publication in the 1993 Electronics Hobbyists Handbook. The coil depends on the frequency bands to be tuned, typically 3 to 30MHz.

This antenna tuner was found in a 1995 publication in the 1993 Electronics Hobbyists Handbook. The coil depends on the frequency bands to be tuned, typically 3 to 30MHz.
