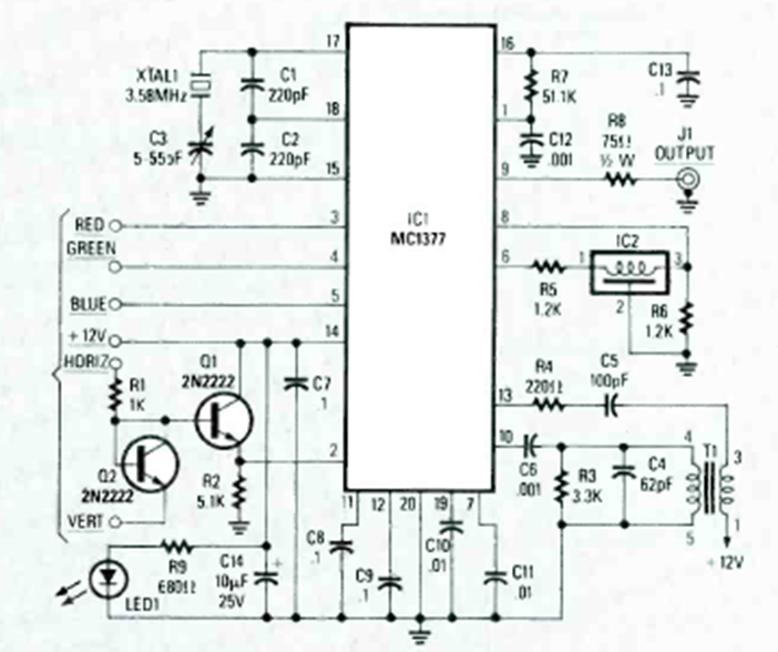
This circuit was found in the 1991 Electronics Experimenters handbook. It can be used to display RGB signals on old NTSC televisions.
This circuit with JFET was obtained in a book on FETs of 1989. The circuit is still current since...
We found this amplifier in the Philips Databook of 1990. The stereo circuit has power that reaches 6...
This is a classic FM amplifier IF amplification stage configuration. The circuit is from a 1980s...