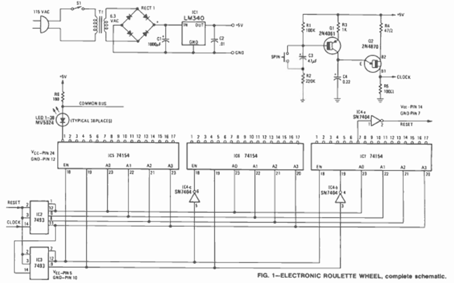
This game with digital logic circuits was found in the December 1976 issue of Radio Electronics magazine. The circuit includes the power supply driving a set of LEDs.
This circuit was found in a 1980s documentation. The IC is the 7400 and should be powered with 5...
The function generator XR2206 is not very easy to obtain, but if you get one you can assemble this...
This circuit converts a 12 V continuous voltage from a battery into an alternating voltage of 110...