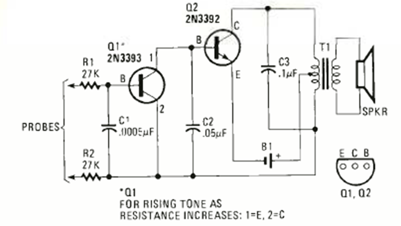
This simple continuity tester consists of an oscillator found in the 1983 Electronics Experimenter Special projects magazine. The circuit is powered by a single battery.
This JFET sensor was found in a 1989 publication. Virtually any FET like the BF245 can be used and the...
This circuit came out in a Popular Electronics from December 1995. It is a double T configuration that...
The integrated circuit used in this application is not currently common and the sensor can be any...