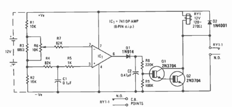
Indicated for alarm applications, this circuit was found in the December 1976 issue of Radio Electronics magazine. The circuit is for 12 V car applications.
Using a 4018 IC and one gate of the 4081 it is possible to divide the frequency of digital signals by...
This logic gate that increases the duration of input pulses was found in a NASA documentation from 1966....
This traditional TTL configuration was obtained in a 1977 documentation. The supply must be made...