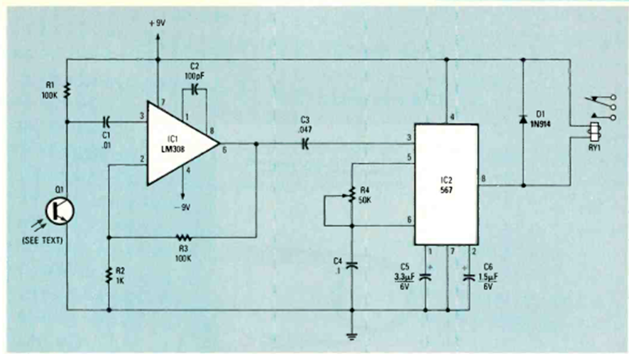
This is the receiver circuit for the previous remote control published in the same Radio Electronics magazine of November 1987. The sensor is a common phototransistor.
Using a 4018 IC and one gate of the 4081 it is possible to divide the frequency of digital signals by...
This logic gate that increases the duration of input pulses was found in a NASA documentation from 1966....
This traditional TTL configuration was obtained in a 1977 documentation. The supply must be made...