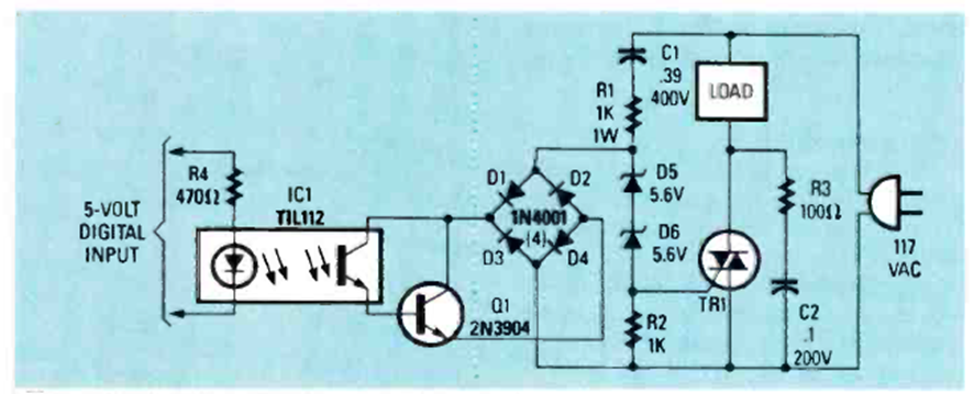
This circuit is an excellent shield for microcontrollers and was found in the October 1987 Radio Electronics magazine. It can be used with other voltages, depending on the triac and the opto-isolator, and supports more modern versions.
This circuit is an excellent shield for microcontrollers and was found in the October 1987 Radio Electronics magazine. It can be used with other voltages, depending on the triac and the opto-isolator, and supports more modern versions.