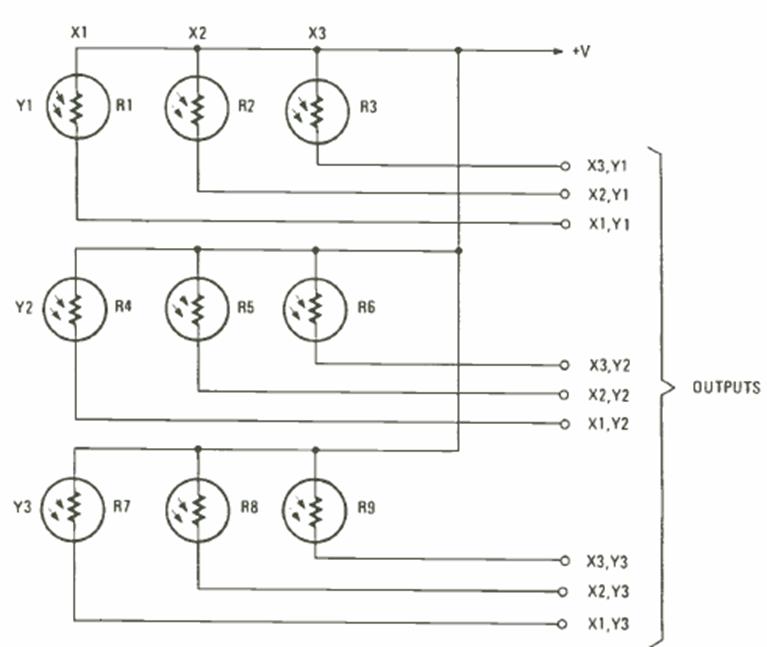
This 9-pixel circuit has been implemented with 9 LDRs and can be coupled to a processing system for an elementary artificial eye. The circuit is from Radio Electronics, November 1986.
This project was found in a documentation from 1980. It is a central of sound effects, a simple...
This amplifier for public address was found in English documentation from 1967. The transistors are from...
This circuit was found in an English magazine from 1978, but it is still current, just change the...