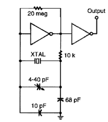
This circuit was found in an Electronics Now from the 90s. The frequency depends on the crystal. The maximum recommended value is around 5 MHz.

This circuit was found in an Electronics Now from the 90s. The frequency depends on the crystal. The maximum recommended value is around 5 MHz.
