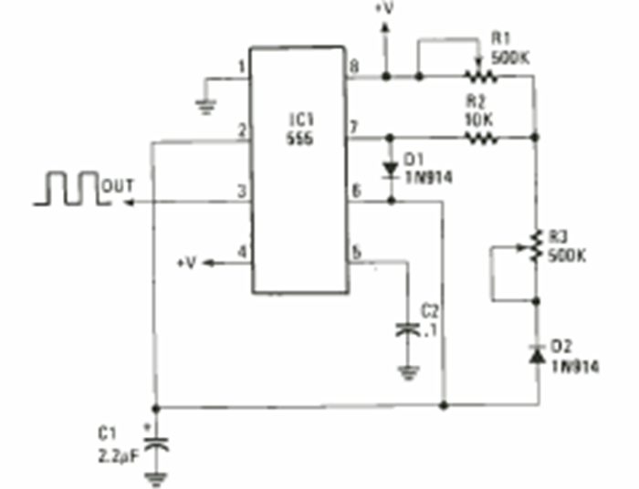
This dual-tuned 60 Hz oscillator was found in the Radio Experimenter Special projects of 1993. The circuit has the timing ranges given by C1 which can be changed.
This circuit is designed to analyze the distortion of an audio signal. We found it in an article in...
The frequency of this unijunction oscillator is determined by the crystal whose maximum frequency is...
January 2017 - Texas Instruments' new TLVx172 operational amplifiers with Rail-to-Rail outputs can now be...