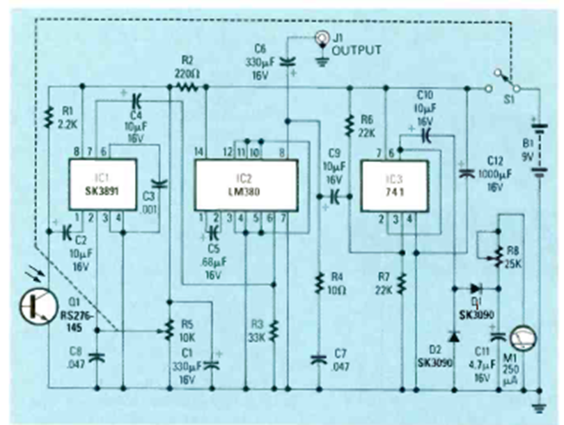
This circuit receives the modulated signals reflected by a laser on a window pane enabling conversations to be listened to. The circuit is from a project in the October 1987 Radio Electronics magazine.
This circuit receives the modulated signals reflected by a laser on a window pane enabling conversations to be listened to. The circuit is from a project in the October 1987 Radio Electronics magazine.