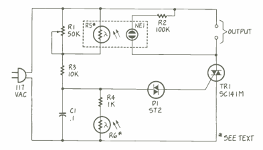
This circuit controls an external light that turns on at dusk and off in the morning. The circuit is from a Radio Electronics from October 1987.
Found in a 90s Electronic Design, this circuit operates with Maxim components of the time. The...
This circuit can be used both as a power source and as a battery charger. The resistor R1 serves as...
This circuit uses a unijunction transistor in a different configuration to generate rectangular pulses at...