This flashing allegory with 555 integrated circuits was found in the Radio Electronics Experimenter magazine from 1989. It is a simple circuit to assemble.
The circuit shown here uses a 4047 to produce three signals whose frequencies are determined by C...
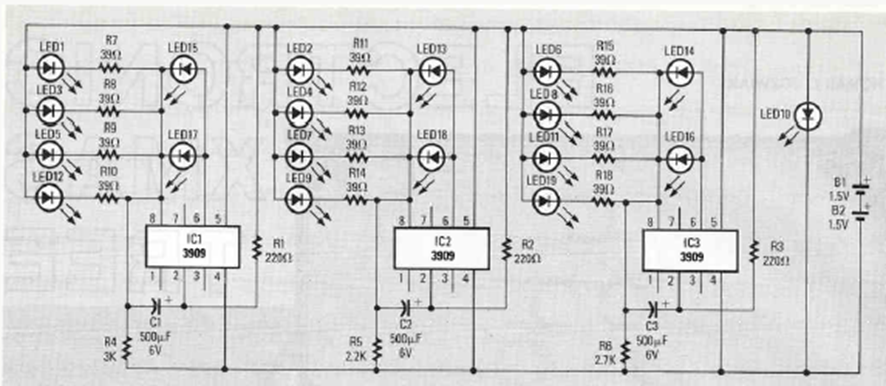
We found this circuit in an old English publication. The resistor not indicated can be 2k2 and the...
This circuit was found in documentation from the 1980s. The integrated circuit used is uncommon today...