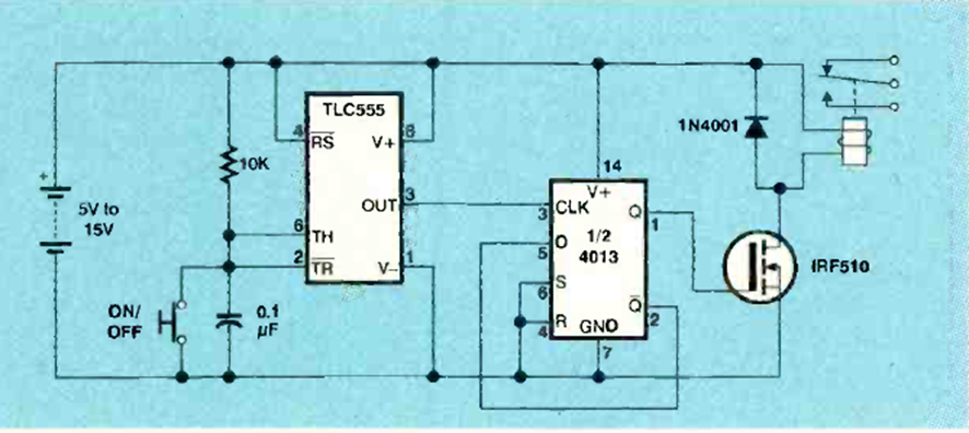
This bistable circuit that drives a relay with a pushbutton was found in the March 1pp6 issue of Electronics Now magazine. A common bipolar with a 1k resistor at the base can be used in place of the FET.
This circuit was obtained in an old Elektor and can be adapted to use white power LEDs. The...
This circuit is from 1970 documentation. The SCRs are types of the era that can be replaced with 106...
Although this version of electric fence is quite sophisticated due to the number of components it uses and...