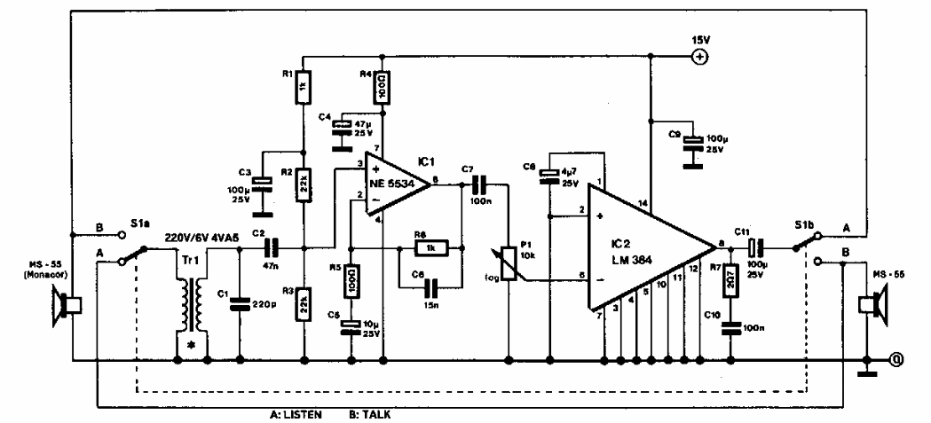
This circuit was obtained in an old Elektor. It is a reference, since the integrated products of the time are not very common today. The maximum wire length between stations should not exceed a few tens of meters.
This circuit was obtained in an old Elektor. It is a reference, since the integrated products of the time are not very common today. The maximum wire length between stations should not exceed a few tens of meters.