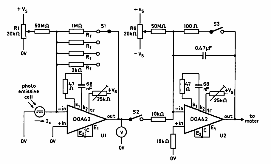
This circuit was found in a Philips documentation from 1970. The components are of the time, difficult to find today, but the configuration can be adapted to use modern equivalent components.
This is an improvement on the previous circuit with a preamplification stage. The circuit is from...
This circuit was found in a Texas Instruments handbook about operational amplifier. It has a very...
This circuit was found in an American publication from 1965. The circuit uses components from that...