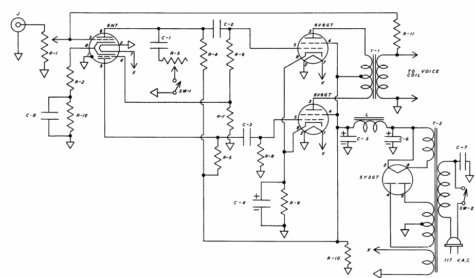
This 4-tube amplifier with push-pull output was found in an American documentation from 1947. The circuit uses a power supply with transformer and tubes typical of the time.
This 4-tube amplifier with push-pull output was found in an American documentation from 1947. The circuit uses a power supply with transformer and tubes typical of the time.