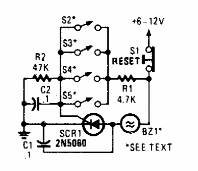
This circuit was obtained from a Popular Electronics of the 90s. The SCR is of any type and the number of sensors is unlimited.

This circuit was obtained from a Popular Electronics of the 90s. The SCR is of any type and the number of sensors is unlimited.
