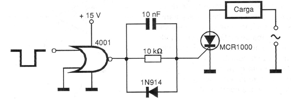
The SCR MCR1000 MOS is a rare component today. It is an SCR with MOS field trip, requiring a special circuit for this purpose. The circuit is from 1999 documentation. One of the characteristics of this SCR is its extremely fast firing speed.
The SCR MCR1000 MOS is a rare component today. It is an SCR with MOS field trip, requiring a special circuit for this purpose. The circuit is from 1999 documentation. One of the characteristics of this SCR is its extremely fast firing speed.