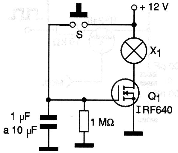
This version of time light with 12 V lamp and power MOSFET was found in a 2001 publication. Other versions can be found on the website. If the lamp has a current greater than 500 mA, MOFET must have a heat sink.

This version of time light with 12 V lamp and power MOSFET was found in a 2001 publication. Other versions can be found on the website. If the lamp has a current greater than 500 mA, MOFET must have a heat sink.
