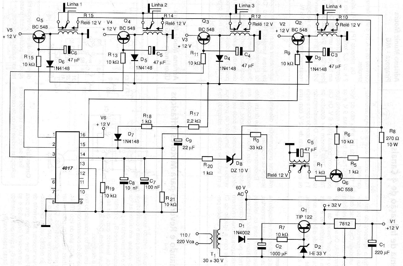
Here is a very useful circuit that can be expanded, including the use of more integrated circuits 4017. The circuit also serves as a reference for projects that make use of the 4017 in control.
Here is a very useful circuit that can be expanded, including the use of more integrated circuits 4017. The circuit also serves as a reference for projects that make use of the 4017 in control.