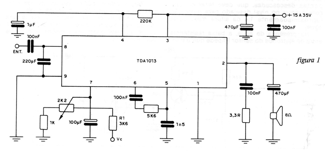
The integrated circuit used in this project is not common today, but if found it results in a good amplifier with few components. The TDA1013 integrated circuit must be mounted on a heat sink and has an input sensitivity of 55 mV. The input impedance is 250 k. The circuit is from a Philips manual from the 70s.




