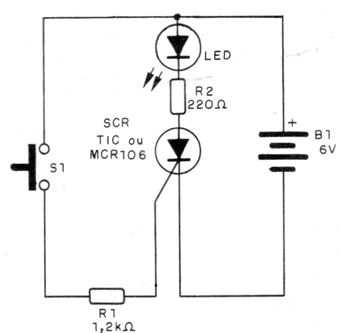
This circuit makes the simple test of SCRs that have a low maintenance current, with those of the 106 series. The circuit is powered by a voltage of 6 to 12 V. To test, press S1. The LED should light up. If it is lit before the trip, it is shorted.
This circuit makes the simple test of SCRs that have a low maintenance current, with those of the 106 series. The circuit is powered by a voltage of 6 to 12 V. To test, press S1. The LED should light up. If it is lit before the trip, it is shorted.