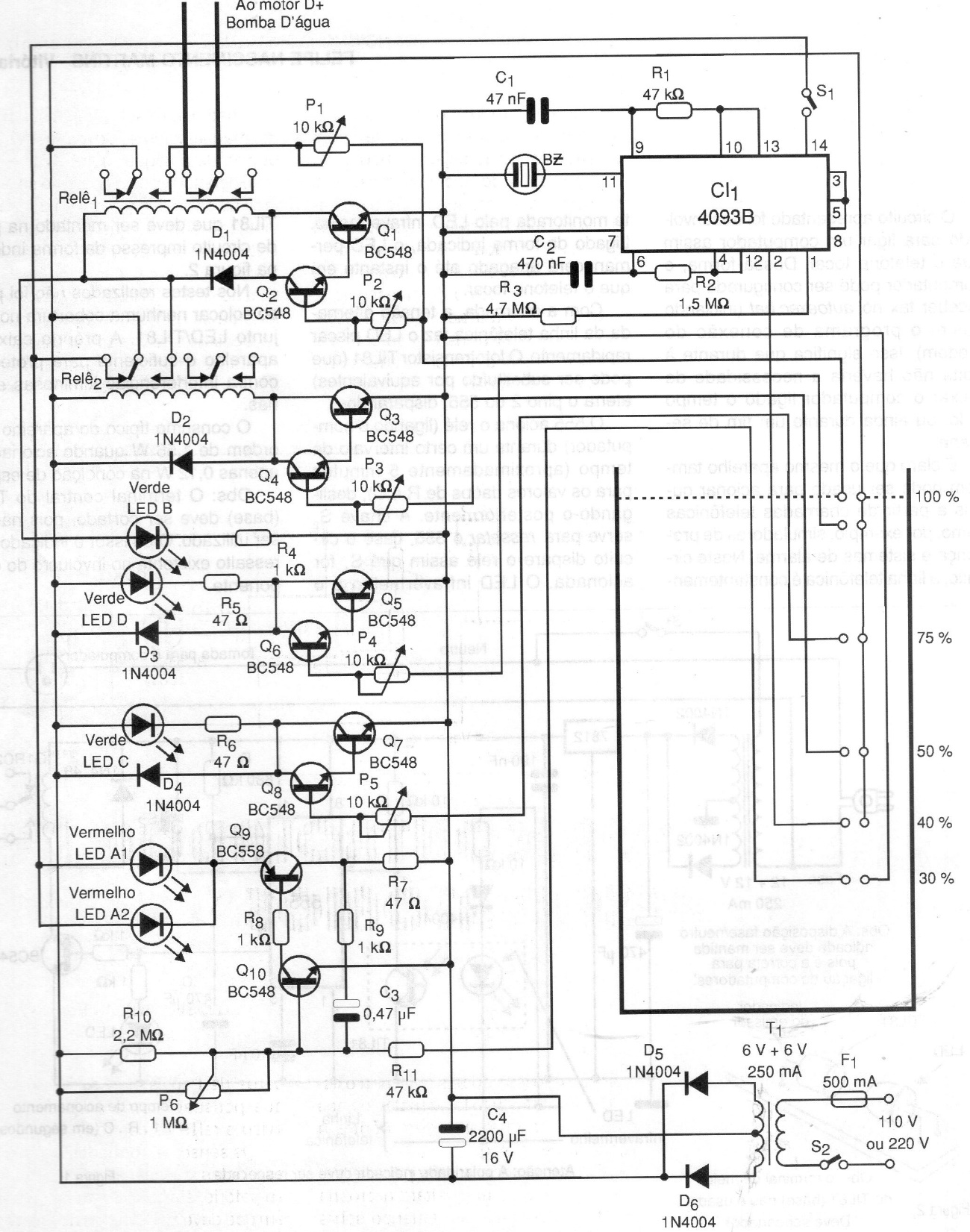
The sensors in this circuit, found in a 1999 documentation, are stripped wire tips at different levels of control. The circuit uses LED monitors on a multi-point scale. At the minimum level, the circuit activates a relay that controls a pump by turning it off at the maximum level.




