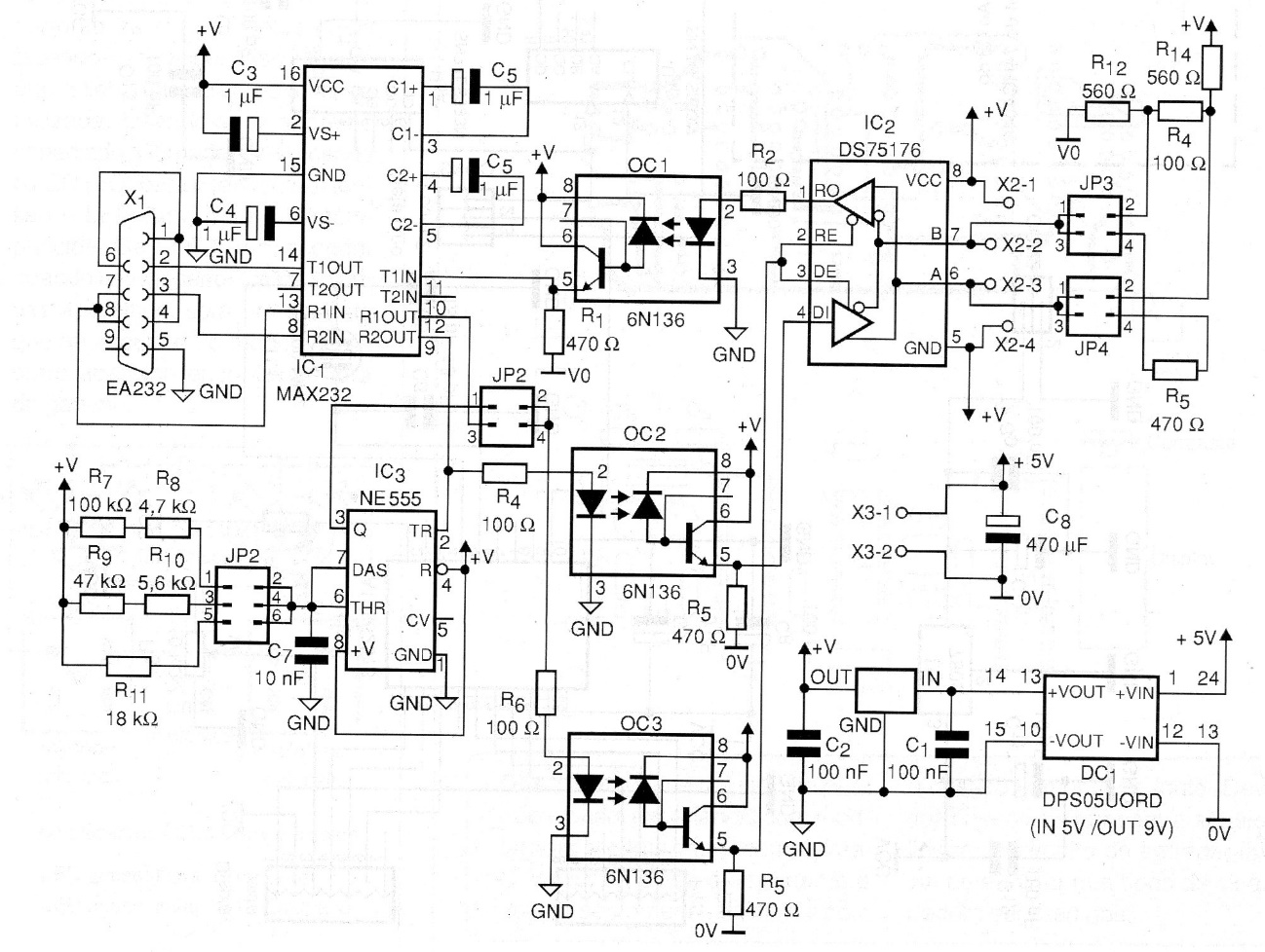
This circuit (2009) has driver control through the RTS signal or in automatic mode through the monostable oscillator at speeds of 9600, 19200 and 56 kbps. Terminal selection active / passive. When receiving data through the EIA232 serial port, it is converted by MAC232 to TTL levels that can be interpreted by the other integrated circuits. The next step is to activate the EIA485 driver (CI 75176), which is done automatically by the timer with the 555 or through the RTS signal from the serial. The 75176 integrated circuit works as a bidirectional converter EIA485 and TTL. For data reception, pins 2 and 3 must be at the low logic level, while for transmission they must remain at the high logic level. When it is not transmitting, the driver must remain configured as a receiver, right after each transmission, pins 2 and 3 return to a low logic level. If any data is received it is immediately converted from EIA585 levels to TTL and then to EIA232 levels.




