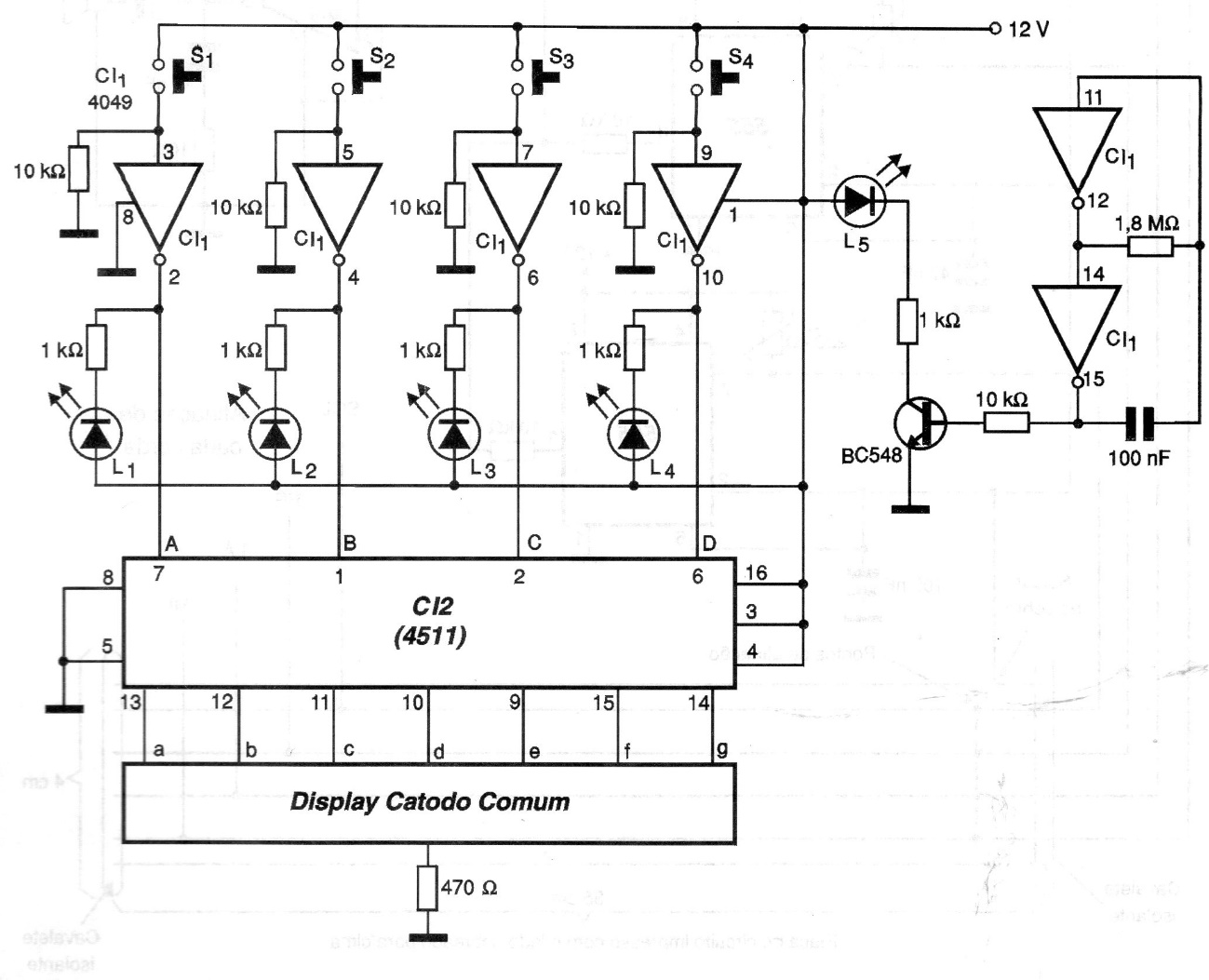
This didactic circuit was found in a 2001 documentation. It presents the result of programming in binary using keys in both binary and decimal form. The display is 7-segment, and the power can actually be supplied by voltages from 6 to 12 V.
This didactic circuit was found in a 2001 documentation. It presents the result of programming in binary using keys in both binary and decimal form. The display is 7-segment, and the power can actually be supplied by voltages from 6 to 12 V.